RLID :: PROPERTY RESEARCH AND REPORTING TOOL FOR LANE COUNTY, OREGON

RLID: Regional Land Information Database in Lane County, Oregon
Lane County Assessment & Taxation
Property Information Search

This public site contains the most commonly requested Assessment & Taxation information on property located within Lane County. 

Most information is updated weekly. 

For copies of tax statements, please go to http://apps.lanecounty.org/TaxStatement/Search.aspx.

To view tax maps,  visit http://apps.lanecounty.org/TaxMap/Search.aspx.

This site is for general public use only.  It is not intended for commercial use. 

 

NEW! Commercial Appraisal Cards are now available online for Lane County properties.

To access the commercial appraisal card click on the map/taxlot link (if available).

 

1230067 Map, Tax Lot & 16-06-33-00-00600
91735 POODLE CREEK RD NOTI OR 97461
Taxpayer Address 91735 Poodle Creek Rd Noti, OR 97461
Additional Account Numbers for this Tax Lot 1230067

Owner Information

Owner Address City State Zip
Patterson Family Trust 91735 Poodle Creek Rd Noti, OR 97461

Account Type Real Property
Account Acreage 5.00
NO
Property Class Farm
Farm Deferral

Taxlot Record 1606330000600
Commercial Appraisal Card n/a

Assessor's Photos & Sketches

Click on any of the photo/sketch thumbnails to view and download the image full-size (opens in new window). Once in full-size view, use your browser "File>Save (Page) As" menu to download to your computer.

About Assessor Sketches/Photos


Property Value and Taxes

Year Land Improvement Total
2025 $167,784 $239,729 $407,513 $181,313
$181,313 ** $2,112.44 06919

**The tax shown is the amount certified for the current tax year. It does not reflect any subsequent value changes, nor does it include any discounts offered, payments made, interest owing, or previous year's owing.


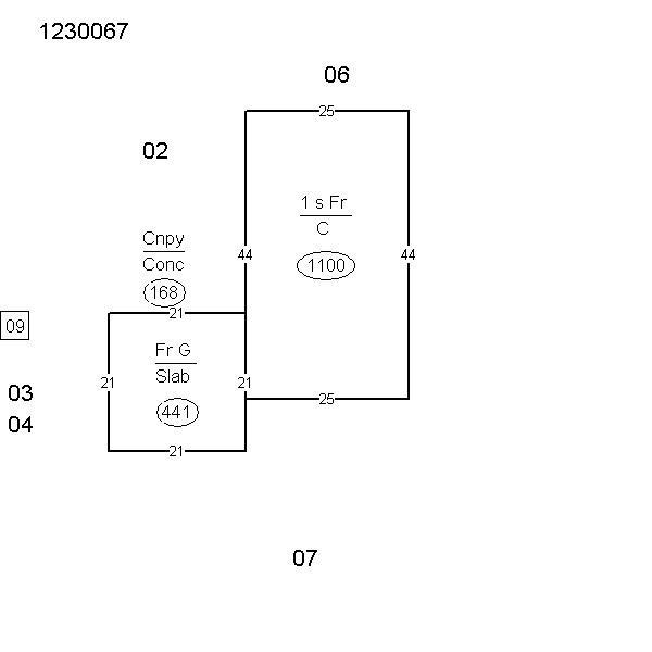
Building #1 (of 1) If there are multiple dwellings, building characteristics will display for only one of the dwellings.


Year Built 1969
Percent Complete as of Jan 1st 100
Floor Base Sq Ft Finished Sq Ft
Basement N/A N/A
First 1100 1100
Second N/A N/A
Attic N/A N/A
Total 1100 1100
Structure Sq Ft
Bsmt Garage N/A
Att Garage 441
Det Garage N/A
Att Carport N/A

Commercial Building None


Lane County Assessment & Taxation | Tax Statements Online | Taxmaps | Disclaimer